200W智能伺服电批-伺服螺丝刀-qy球友会(中国)机械
  1. qy球友会(中国)

    QCDP1E1-020智能伺服电批

    QCDP1E1-020智能伺服电批

    • 无机械齿轮和离合器结构,无磨损,免维护,寿命超长,故障率低;

    • 高精度电流采样和终值算法驱控,响应快,重复精度高,扭力精准;

    • 具备单段,二段,多段、拆卸等多种工作模式,转速、扭矩可调,锁付智能化;

    • 适应机牙螺纹,自攻螺纹,自钻螺纹等场合;

    • 扭力,圈数综合评估,降低滑牙、浮锁误判率;

    • 驱控器自带2.4寸真彩触摸屏可调试设置参数,方便监控调试电批运作;

    • 驱控器IO信号有电批启停输入信号、力矩到达和电批报警输出信号;

    • 集成一个基于MODBUS RTU协议的TTL通信口,外联控制器或触摸屏。

      智能伺服电批,由伺服电批控制系统和伺服电组织成。不管是从扭力、精度、使用寿命来看,伺服电批都比无刷、有刷电批更强大。伺服电批的扭力大、响应快。


      产品特点:


      (1)无机械齿轮和离合器结构,无磨损,免维护,寿命超长,故障率低;

      (2)高精度电流采样和终值算法驱控,响应快,重复精度高,扭力精准;

      (3)具备单段,二段,多段、拆卸等多种工作模式,转速、扭矩可调,锁付智能化;

      (4)适应机牙螺纹,自攻螺纹,自钻螺纹等场合;

      (5)扭力,圈数综合评估,降低滑牙、浮锁误判率;

      (6)驱控器自带2.4寸真彩触摸屏可调试设置参数,方便监控调试电批运作;

      (7)驱控器IO信号有电批启停输入信号、力矩到达和电批报警输出信号;

      (8)集成一个基于MODBUS RTU协议的TTL通信口,外联控制器或触摸屏。


      系统功能:


      输入输出信号:启动、停止、正反转;拧紧完成、合格标志、报警输出;

      外围接口:RS485、IO接口、可实现IO口的所有功能;

      实时输出拧紧数据,由MES系统采集,分析,存储;

      拧紧过程由高速数字控制,精度高,使用寿命长;

      支持正反向控制;扭力,转速,圈数任意调节,多级变速,控制精度更高;

      拧紧过程数据管理,记录可溯;

      浮锁,滑牙等异常出错报警机制及处理;

      拧紧过程主要数据显示:实时扭力值、圈数、拧紧时间、扭力峰值,合格标志;

      相对于IO电批,控制更精准,更环保。


      软件功能:


      界面简单易操作,与智能伺服电批控制器无缝连接,快速便捷的设置电批各类参数。

      伺服电批工作状态信息显示与记录,电批状态实时监控。

      扭紧过程可监控,支持波形采集、对比与分析、支持在线调试功能。

      锁付记录显示,处理与导出,让拧紧记录可追溯、可保存、可统计。


      规格型号:


      功率
      扭矩
      转速/RPM
      适用螺钉
      100W

      1-9 公斤 / 0.1-0.9 牛米

      0-3000
      m1.4-m3
      200W

      3-18公斤 / 0.3-1.8牛米

      0-3000m2-m4
      400W

      6-35公斤 / 0.6-3.5牛米

      0-3000m2-m5
      控制方式
      FOC矢量控制
      环境
      工作温度
      -20℃~45℃
      存储温度
      -20℃~45℃
      湿度
      90%RH以下,无结露
      海拔3000m以下
      振动4.9m/sec2,频率10~55Hz
      周围环境
      无易燃易爆、腐蚀性气体,无盐雾,无导电粉尘
      数字量输入
      视型号而定,最大支持5路
      数字量输出视型号而定,最大支持3路
      编码器反馈
      多摩川绝对值编码器
      通信功能Modbus通信协议
      存储功能
      EEPROM掉电保存
      冷却方式自然冷却
      过载能力视型号而定,过载水平可设置,最高支持3倍过载3.5s
      报警功能过流,过热,过压,欠压,过载,过速,编码器异常等报警
      上位机软件ServoApp伺服电批上位机软件


      IO及通讯端口定义:




      信号

      说明

      信号

      说明

      1

      24V

      内部输出电压,可接入外部电压

      DO1-

      输出端子-

      2

      COM

      电源负极

      DO1+

      输出端子+

      3

      SEL

      高低电平有效选择

      DO2-

      输出端子-

      4

      DI1

      输入端子

      DO2+

      输出端子+

      5

      DI2

      输入端子

      DO3-

      输出端子-

      6

      DI3

      输入端子

      DO3+

      输出端子+

      7

      DI4

      输入端子

      B

      RS485串行信号B

      8

      DI5

      输入端子

      A

      RS485串行信号A

      9

      NC

      -



      注:SEL用于选择高低电平使用,SEL选择接入24V时,输入端子输入低电平信号有效;SEL选择接入COM时,输入端子输入高电平信号有效。


      电机编码器端口:


      各系列电批的编码器端口统一为DB9,支持绝对值编码器。


      输入输出电源端口:


      电批电源输入,接地端口:


      信号

      说明

      1

      L1

      功率电源

      2

      L2

      功率电源

      3

      接地

      电机动力线,接地端口:


      信号

      说明

      1

      接地

      2

      W

      电机W相

      3

      V

      电机V相

      4

      U

      电机U相


      电气接线图:


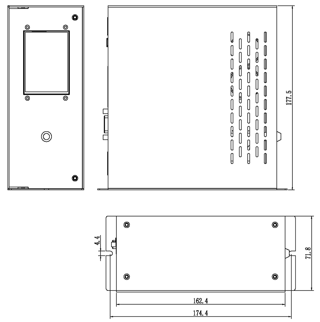
      伺服电批控制器外观尺寸:

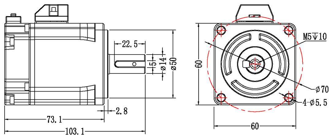
      200W电机尺寸:

      伺服电机包外壳尺寸图

      伺服电机未包外壳尺寸图

      产品安全认证——CE认证报告


    版权所有 © 深圳市qy球友会(中国)工业控制股份有限公司 未经许可不得复制、转载或摘编,违者必究  版权声明

    Copyright © Shenzhen Huacheng Industrial Control Co., Ltd. All Rights Reserved.

    网站ICP备案号: 粤ICP备19106162号

    技术支持:新新网络

    咨询在线客服

    咨询电话

    13924666952

    400-158-1606

    官方客服微信